商品詳細
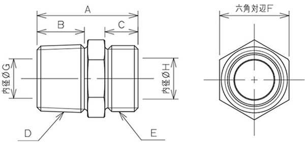
カクダイ 樹脂(PPS)絶縁フレキニップル(613-360-●)
【注意】現品は商品画像と色が異なる場合がございます。

カクダイ 樹脂(PPS)絶縁フレキニップル(613-360-●)
カクダイ 樹脂(PPS)絶縁フレキニップル(613-360-●)
特徴を見る
- 表面処理
-
生地(素材)
カクダイ 樹脂(PPS)絶縁フレキニップル(613-360-●) の商品一覧
| サイズ | 表面処理 | 入数(単価:税込) ※最小販売条件:1小箱・袋〜 | 在庫
|
バラ | 購入数量 | ご購入・ お問い合わせ |
|---|---|---|---|---|---|---|
| 613-360-13 S00060070130000000 |
生地(素材) |
小箱:1個(265.98円/個)
大箱:100個(253.11円/個) ※最小販売条件:1 小箱・袋~ |
取寄
|
×
|
個
発送:8営業日以内
取寄品の為、表示納期の変更の場合はご連絡致します
小計(税込):¥
|
1件 見つかりました
鋼 S45C(H)六角ナット(1種)
カクダイ 黄銅 給湯器用ニップル(6139)
シーケー金属 CK (黒/白)径違いソケット (RS)(バンド付)
井筒製作所 ステンレス 四角頭プラグ (PF)
鉄 フランジナット セレート付き (細目)(輸入品)
カクダイ 樹脂(PPS)絶縁フレキニップル(613-360-●)