商品詳細
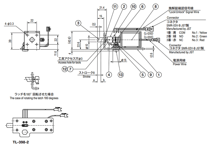
栃木屋 ソレノイドラッチ(可変型) TL-398-2

【注意】現品は商品画像と色が異なる場合がございます。

栃木屋 ソレノイドラッチ(可変型) TL-398-2
栃木屋 ソレノイドラッチ(可変型) TL-398-2
特徴を見る
- 表面処理
-
---
栃木屋 ソレノイドラッチ(可変型) TL-398-2 の商品一覧
サイズ | 表面処理 | 入数(単価:税込) ※最小販売条件:1小箱・袋〜 | 在庫![]()
|
バラ | 購入数量 | ご購入・ お問い合わせ |
---|---|---|---|---|---|---|
TL-398-2 6R0015560000000000 ![]() |
--- |
小箱:1個(10,167.26円/個)
※最小販売条件:1 個〜 |
取寄
![]()
|
◯
|
個
発送:12営業日以内
取寄品の為、表示納期の変更の場合はご連絡致します。
小計(税込):¥
|
1件 見つかりました