商品詳細
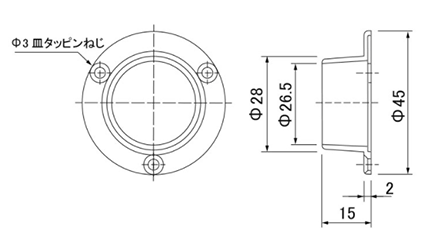
ムラコシ精工 ダイキャスト 丸型パイプソケットB-1 (パイプ径φ25用)

【注意】現品は商品画像と色が異なる場合がございます。

ムラコシ精工 ダイキャスト 丸型パイプソケットB-1 (パイプ径φ25用)
特徴を見る
- 表面処理
-
ニッケルメッキ(装飾用)
ムラコシ精工 ダイキャスト 丸型パイプソケットB-1 (パイプ径φ25用) の商品一覧
サイズ | 表面処理 | 入数(単価:税込) ※最小販売条件:1小箱・袋〜 | 在庫![]()
|
バラ | 購入数量 | ご購入・ お問い合わせ |
---|---|---|---|---|---|---|
B-1 0002100(φ25用) 610004100000000000 ![]() |
ニッケルメッキ(装飾用) |
小箱:1個(100.26円/個)
大箱:600個(95.41円/個) ※最小販売条件:2 個〜 |
取寄
![]()
|
◯
|
個
発送:15営業日以内
取寄品の為、表示納期の変更の場合はご連絡致します。
小計(税込):¥
|
1件 見つかりました